01. September 2022:
- 19:00 Uhr: Das sind die Gewinner der EHA-Leser-Awards (0)
- 17:14 Uhr: USB4 2.0 sorgt für doppelte Übertragungsrate und Verwechselungsgefahr (53)
- 16:17 Uhr: Memory Training: Ryzen 7000 braucht bis zu 400 Sekunden bei 4 DIMMs (54)
- 15:55 Uhr: Schneller und effizienter: Forschung zeigt Vorteile neuronaler Chips (0)
- 14:23 Uhr: Crucial veröffentlicht die X8-Portable-SSD mit 4 TB (0)
- 14:10 Uhr: Sony legt das Xperia 5 IV als kompaktes Smartphone für Kreative aus (8)
- 12:39 Uhr: Anno 2070: Ubisoft rudert nach Shitstrom zurück und kündigt Update an (6)
- 12:23 Uhr: be quiet! eröffnet eigenen Online-Shop für Ersatzteile (15)
- 12:05 Uhr: AMD und NVIDIA dürfen GPU-Beschleuniger nicht mehr nach China exportieren (24)
- 11:42 Uhr: User-Tracking und mehr: Disney bereitet neues Abo-Modell für Disney+ vor (11)
- 11:33 Uhr: Apple schließt aktiv ausgenutzte Schwachstelle auf älteren iPhones und iPads (1)
- 10:43 Uhr: Samsungs erster OLED-Gaming-Monitor Odyssey OLED G8 ist smart (51)
- 10:00 Uhr: XMG FOCUS: Neue Generation mit mehr Power und mehr Display-Optionen (1)
- 09:36 Uhr: Intel erweitert seine Evo-Zertifizierung auf Foldable-Geräte (0)
Netzteile
Lian Li SP850: SFX-Netzteil mit PCIe-5.0-Anschlusskabel (6)
Mit kommenden Grafikkarten wird der neue PCIe-5.0-Anschluss relevant werden — und zwar auch bei kompakten Gaming-Systemen. Lian Li hat mit dem SP850 deshalb ein SFX-Netzteil mit PCIe-5.0-Anschlusskabel vorgestellt. Es ist nicht das erste Modell dieser Art, das bekannt wird. Wir hatten schon über Cooler Master V1100 SFX Platinum und V1300 SFX Platinum berichtet….
- ASUS ROG Loki: SFX-L-Netzteil kommt direkt mit PCIe-Gen-5.0-Anschluss (Update) (6)
- MSI MEG Ai1300P PCIE5: Das ATX-3.0-Netzteil ist offiziell (23)
- Cooler Master XG750 Plus Platinum im Test: Mit ARGB-Beleuchtung zum Erfolg? (9)
- Thermaltake zeigt ATX-3.0-Netzteil mit 2x 12VHPWR (11)
- Corsair präsentiert neue, modulare HXi-Netzteile mit 1.000 und 1.500 W (16)
- 2x 12VHPWR: Seasonic stellt das Prime PX/TX mit 1.600 W vor (51)
- Empfohlene Sicherheitsvorkehrungen von Antec: Einzelne PCIe-Kabel pro Buchse (4)
- ASUS ROG Thor 1200W Platinum II Netzteil ab sofort erhältlich (30)
- MSIs MEG-Ai-Netzteile: Dreifach höhere Leistungsspitzen durch zukünftige Grafikkarten (27)
02. September 2022:
- 16:08 Uhr: MSI MEG Aegis Ti5 12th im Test: Noch schneller mit neuer Hardware (14)
- 14:13 Uhr: MSI Immerse GH40 ENC: MSIs erstes Headset mit Environmental Noise Cancelling (0)
- 13:08 Uhr: Microsoft launcht Xbox Game Pass für Friends & Family (2)
- 12:10 Uhr: Fusion: Antec bringt neuen 120-mm-ARGB-Gehäuselüfter auf den Markt (8)
- 10:59 Uhr: Netflix: Werbeabo soll bereits im November kommen (28)
- 10:40 Uhr: ASUS ProArt Display OLED PA27DCE und OLED PA32DC: OLED für den Profi-Einsatz (7)
- 09:53 Uhr: ASUS ROG Loki: SFX-L-Netzteil kommt direkt mit PCIe-Gen-5.0-Anschluss (Update) (6)
- 09:41 Uhr: Epic Games Store: Auf drei folgen zwei Gratisspiele (4)
- 09:34 Uhr: ASUS präsentiert das Prime AP201 Micro-ATX-Gehäuse (Update) (8)
- 09:25 Uhr: Remake: The Last of Us Part I ab sofort für PlayStation 5 erhältlich (19)
- 05:01 Uhr: Huawei Matebook X Pro 2022: Mit Alder Lake und neuer Oberfläche (1)
Инструкции по производителям
2E
2Е Gaming
Acer
ADATA
AEG
Aeotec
AeroFit
Agent
Ajax
AL-KO
Alcatel
ALCATEL LUCENT
AlcoScan
Alpina
Antec
APACER
APC
Apple
Aquatica
Ardesto
Ariete
Ariston
Aspiring
ASRock
Assistant
ASUS
ATLANT
Autel
Auzer
Avent
AVerMedia
AVIONAUT
Babyliss
Ballu
BAS-IP
BauMaster
BAXI
BEKO
BenQ
Beretta
Beurer
Biostar
Bissell
Black&Decker
Boneco
Bort
Bosch
BOSCH PT
Bose
Boway
BRAUN
BRAVIS
Bremshey
Brita
Brother
BROTHER HA
Buderus
CANDY
CANON
Carrier
Caterpillar
Chief
CHIEFTEC
Cisco
ColorWay
CONVOY
Cooler Master
Coolpad
Cooper&Hunter
Crow
cutMARK
D&A art
D-Link
DAEWOO
Danfoss
Deante
Dell
DeLonghi
Denon
DEVI
DeWalt
DIGITUS
Discovery
DJI
DKC
DLINK
Donic
Dr.Frei
Dremel
Driven
Drobak
Ducky
Durabook
Eaton
Ecosoft
ECOVACS
Efco
Einhell
Elari
Electrolux
ELEYUS
Elica
Enebe
EPSON
ERGO
Esprit
ETI
F&D
Fanvil
FELLOWES
Ferroli
FGK
FIBARO
Fieldmann
fischertechnik
Fiskars
FitLogic
FIXITIME
Flexo Trim
Fly
Foresta
Formula
Forte
Franke
FSP
FUJIFILM
Fujitsu
Gamma
Gardena
GARMIN
Gazer
GBC
GEFEST
GENIUS
George Foreman
Gigabyte
Gigaset
GlobalCase
Globex
GoPro
Gorenje
Granna
Graphite
GREE
Greentest
Greta
Grunhelm
Haier
HAMA
HANSA
Hansgrohe
HANWHA TECHWIN
Harman-Kardon
Hausgarten
HeartIn
Hideez
Hikvision
HILFE
Hisense
HITACHI
Hitachi-LG
Honda
Honor
Hoover
HORI
HOTPOINT ARISTON
Hotpoint-Ariston
HouseFit
HP
HSH
HSM
HTC
Huawei
Huion
Husqvarna
HyperX
Hyundai
IKRA Mogatec
iLife
Immergas
Impulse
INDESIT
Indola
iNeXT
Insta360
Intel
InterFit
ION
iRobot
Iron Angel
Janod
Janome
JBL
JURA
JVC
Kaiser
Karcher
Keneksi
KENWOOD
KINGSTON
Kingston Fury (ex.HyperX)
Kivi
KODAK
Konftel
Könner&Söhnen
Korado
Krups
KSL
Kulik System
Lamart
lamiMARK
LEADER
Leberg
Lego
Legrand
Lenovo
Lenovo ThinkPad
Leo
Leo 3.0
LEON
LG
Liebherr
LifeSOS
Linksys
Logitech
LONGEVITA
Maestro
Makeblock
Makita
Marshall
MARTA
Maxcan
McCulloch
Medisana
Mercusys
Metabo
Microlab
Micron
Microsoft
Midea
Miele
MikroTik
MINERVA
MITSUBISHI ELECTRIC
Mobil
Mobileye
MOSER
Motorola
MOULINEX
MSI
Mystery
NEC
NEO
NEO Tools
Neoclima
Neolight
NETGEAR
Netis
NIKON
Ninebot by Segway
Nintendo
Nivona
Nobo
NOIROT
Nokia
NORD
NordicTrack
Nuvita
Oleo-Маc
OLMO
OLYMPUS
ONE AIR
OnePlus
ONKYO
OPPO
Optima
Orbea
OSN Power
OSRAM
Our Generation
PANASONIC
Panatta
Pantum
PARTNER
Patriot
PATRON
PDA
PENTAX
Philco
PHILIPS
Pioneer
PocketBook
Poco
Polaris
Polaroid
Powercom
PowerPlant
Prestigio
Profi Office
Projecta
PYRAMIDA
QNap
Rapid
Razer
REDMOND
Remington
Renz
Retro Genesis
REXEL
Rock Machine
RODA
Romsat
Rotex
Rowenta
Royal Sovereign
Russell Hobbs
Ryobi
Saeco
Same Toy
SAMSUNG
Sapphire
Saturn
Saunier Duval
Scarlett
Screechers
SEAGATE
Segway-Ninebot
Sencor
SENNHEISER
SHARP
Siemens
Sigma
SILICON POWER
SILVER STONE
Sinbo
Skil
Sky
Slinex
SNAIGE
Solo
Sonos
SONY
Sparky
Special4You
Spirit
Spolky
Sportop
Stanley
STEELSERIES
Stiga
Stinol
Strong
Sturm
SUN
Sun Way
SUPRA
SVEN
SYNOLOGY
TCL
TECNO
Tecsar
TEFAL
TENDA
TEPLOCERAMIC
TESY
Thermaltake
Thomas
Thrustmaster
Topex
TopTrack
Toshiba
Toyota
TP-Link
TP-Link Neffos
TRANSCEND
True
Trust
Tunturi
Twinkly
UFO
V-TAC
Vaddio
Vaillant
VARTA
VDO
VENTOLUX
VERTO
Vestel
Vinzer
VITEK
WAHL
Wallner
WD
Werk
Wexler
Whirlpool
Wilo
Winora
Xerox
Xiaomi
Xtrfy
XYZ Printing
Yamaha
Yeastar
YUNEEC
YUNMAI
ZALMAN
Zanussi
Zelmer
Zipato
ZOTAC
ZTE
АвтозакладкА
АлкоФор
Бригадир
Дніпро-М
Дорожник
Зенит
Интерскол
Интертелеком
Патон
Практик
Примтекс Плюс
Ростех
Світязь
Союз
Сталь
Страж
Фиолент
Энергомаш
Для большинства Android-смартфонов подойдет Quick Charge
Самый распространенный среди смартфонов стандарт быстрой зарядки Quick Charge разработан компанией Qualcomm. Изначально он работал только на устройствах с процессором Snapdragon, а сейчас список поддерживаемых гаджетов стал шире.
На данный момент существует уже пять поколений быстрой зарядки по данному протоколу. Радует наличие полной совместимости между всеми видами Quick Charge. Зарядное устройство и смартфон самостоятельно согласовывают версию протокола и будут производить заряд на максимальном поддерживаемом уровне.
Большинство производителей ограничивают мощность зарядных устройств с поддержкой Quick Charge на уровне 18Вт, некоторые компании выпускают модели мощностью от 24Вт до 30Вт.
Смартфон с поддержкой последнего поколения Quick Charge 4.0+ при использовании аналогичного блока питания сможет зарядить 50% емкости (при полном объеме батареи примерно 3000 мАч) примерно за 15-20 минут.
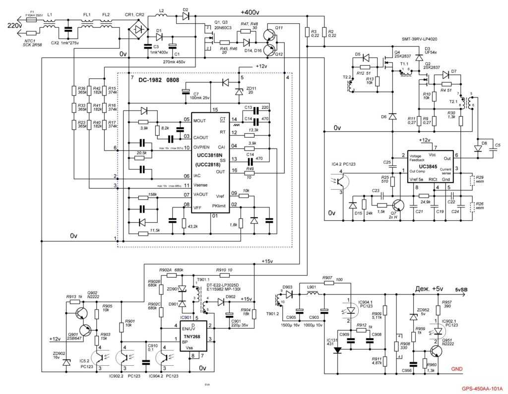
Схемы блоков питания для ноутбуков.
EWAD70W_LD7552.png — Схема универсального блока питания 70W для ноутбуков 12−24V, модель SCAC2004, плата EWAD70W на микросхеме LD7552.
KM60−8M_UC3843.png — Схема блока питания 60W 19V 3.42A для ноутбуков, плата KM60−8M на микросхеме UC3843.
ADP-36EH_DAP6A_DAS001.png — Схема блока питания Delta ADP-36EH для ноутбуков 12V 3A на микросхеме DAP6A и DAS001.
LSE0202A2090_L6561_NCP1203_TSM101.png — Схема блока питания Li Shin LSE0202A2090 90W для ноутбуков 20V 4.5A на микросхеме NCP1203 и TSM101, АККМ на L6561.
ADP-30JH_DAP018B_TL431.png — Схема блока питания ADP-30JH 30W для ноутбуков 19V 1.58A на микросхеме DAP018B и TL431.
ADP-40PH_2PIN.jpg — Схема блока питания Delta ADP-40PH ABW
Delta-ADP-40MH-BDA-OUT-20V-2A.pdf — Ещё один вариант схемы блока питания Delta ADP-40MH BDA на чипах DAS01A и DAP8A.
PPP009H-DC359A_3842_358_431.png — Схема блока питания HP Compaq CM-0K065B13-LF 65W для ноутбуков 18.5V 3.5A, модель PPP009H-DC359A на микросхемах UC3842 и LM358.
NB-90B19-AAA.jpg — Схема блока питания NB-90B19-AAA 90W для ноутбуков 19V 4.74A на TEA1750.
PA-1121−04.jpg — Схема блока питания LiteOn PA-1121−04CP на микросхеме LTA702.
Delta_ADP-40MH_BDA.jpg — Схема блока питания Delta ADP-40MH BDA (Part No:S93−0408120-D04) на микросхеме DAS01A, DAP008ADR2G.
LiteOn_LTA301P_Acer.jpg — Схема блока питания LiteOn 19V 4.74A на LTA301P, 103AI, PFC на микросхемах TDA4863G/FAN7530/L6561D/L6562D.
ADP-90SB_BB_230512_v3.jpg — Схема блока питания Delta ADP-90SB BB AC:110−240v DC:19V 4.7A на микросхеме DAP6A, DSA001 или TSM103A
Delta-ADP-90FB-EK-rev.01.pdf — Схема блоков питания Delta ADP-90FB AC:100−240v DC:19V 4.74A на микросхеме L6561D013TR, DAP002TR и DAS01A.
PA-1211−1.pdf — Схема блока питания LiteOn PA-1211−1 на LM339N, L6561, UC3845BN, LM358N.
Li-Shin-LSE0202A2090.pdf — Схема блоков питания Li Shin LSE0202A2090 AC:100−240v DC:20V 4.5A 90W на микросхемах L6561, NCP1203−60 и TSM101.
GEMBIRD-model-NPA-AC1.pdf — Схема универсального блока питания Gembird NPA-AC1 AC:100−240v DC:15V/16V/18V/19V/19.5V/20V 4.5A 90W на микросхеме LD7575 и полевом транзисторе MDF9N60.
ADP-60DP-19V-3.16A.pdf — Схема блоков питания Delta ADP-60DP AC:100−240v DC:19V 3.16A на микросхеме TSM103W (он же M103A) и I6561D.
Delta-ADP-40PH-BB-19V-2.1A.jpg — Схема блоков питания Delta ADP-40PH BB AC:100−240v DC:19V 2.1A на микросхеме DAP018ADR2G и полевом транзисторе STP6NK60ZFP.
Asus_SADP-65KB_B.jpg — Схема блоков питания Asus SADP-65KB B AC:100−240v DC:19V 3.42A на микросхеме DAP006 (DAP6A или NCP1200) и DAS001 (TSM103AI).
Asus_PA-1900−36_19V_4.74A.jpg — Схема блоков питания Asus PA-1900−36 AC:100−240v DC:19V 4.74A на микросхеме LTA804N и LTA806N.
Asus_ADP-90CD_DB.jpg — Схема блоков питания Asus ADP-90CD DB AC:100−240v DC:19V 4.74A на микросхеме DAP013D и полевике 11N65C3.
PA-1211−1.pdf — Схема блоков питания Asus ADP-90SB BB AC:100−240v DC:19V 4.74A на микросхеме DAP006 (она же DAP6A) и DAS001 (она же TSM103AI).
LiteOn-PA-1900−05.pdf — Схема блока питания LiteOn PA-1900/05 AC:100−240v DC:19V 4.74A на LTA301P и 103AI, транзистор PFC 2SK3561, транзистор силовой 2SK3569.
LiteOn-PA-1121−04.pdf — Схема блока питания LiteOn PA-1121−04 AC:100−240v DC:19V 6.3A на LTA702, транзистор PFC 2SK3934, транзистор силовой SPA11N65C3.
Методика проверки (инструкция)
После того, как блок питания снят с системного блока и разобран, в первую очередь, необходимо произвести осмотр на предмет обнаружения поврежденный элементов (потемнение, изменившийся цвет, нарушение целостности). Заметим, что в большинстве случаев замена сгоревшей детали не решит проблему, потребуется проверка обвязки.

Если таковы не обнаружены, переходим к следующему алгоритму действий:
проверяем предохранитель. Не стоит доверять визуальному осмотру, а лучше использовать мультиметр в режиме прозвонки. Причиной, по которой выгорел предохранитель, может быть пробой диодного моста, ключевого транзистора или неисправность блока, отвечающего за дежурный режим;

проверка дискового термистора. Его сопротивление не должно превышать 10Ом, если он неисправен, ставить вместо него перемычку крайне не советуем. Импульсный ток, возникающий в процессе заряда конденсаторов, установленных на входе, может стать причиной пробоя диодного моста;

тестируем диоды или диодный мост на выходном выпрямителе, в них не должно быть обрыва и КЗ. При обнаружении неисправности следует подвергнуть проверке установленные на входе конденсаторы и ключевые транзисторы. Поступившее на них в результате пробоя моста переменное напряжение, с большой вероятностью, вывело эти радиодетали из строя;

проверка входных конденсаторов электролитического типа начинается с осмотра. Геометрия корпуса этих деталей не должна быть нарушена. После этого измеряется емкость. Нормальным считается, если она не меньше заявленной, а расхождение между двумя конденсаторами в пределах 5%. Также проверке должны быть подвергнуты запаянные параллельно входным электролитам и выравнивающие сопротивления;

тестирование ключевых (силовых) транзисторов. При помощи мультиметра проверяем переходы база-эмиттер и база-коллектор (методика такая же, как при ).

Если найден неисправный транзистор, то прежде, чем впаивать новый, необходимо протестировать всю его обвязку, состоящую из диодов, низкоомных сопротивлений и электролитических конденсаторов. Последние рекомендуем поменять на новые, у которых большая емкость. Хороший результат дает шунтирование электролитов при помощи керамических конденсаторов 0,1 мкФ;
Проверка выходных диодных сборок (диоды шоттки) при помощи мультиметра, как показывает практика, наиболее характерная для них неисправность – КЗ;

проверка выходных конденсаторов электролитического типа. Как правило, их неисправность может быть обнаружена путем визуального осмотра. Она проявляется в виде изменения геометрии корпуса радиодетали, а также следов от протекания электролита.
Не редки случаи, когда внешне нормальный конденсатор при проверке оказывается негодным. Поэтому лучше их протестировать мультиметром, у которого есть функция измерения емкости, или использовать для этого специальный прибор.
Видео: правильный ремонт блока питания ATX.
https://www.youtube.com/watch?v=AAMU8R36qyE
Заметим, что нерабочие выходные конденсаторы – самая распространенная неисправность в компьютерных блоках питания. В 80% случаев после их замены работоспособность БП восстанавливается;

проводится измерение сопротивления между выходами и нулем, для +5, +12, -5 и -12 вольт этот показатель должен быть в пределах, от 100 до 250 Ом, а для +3,3 В в диапазоне 5-15 Ом.
Прочее оборудование.
monpsu1.gif — типовая схема блоков питания мониторов SVGA с диагональю 14−15 дюймов.
sch_A10x.pdf — Схема планшетного компьютера («планшетника») Acer Iconia Tab A100 (A101).
HDD SAMSUNG.rar — архив с обширной подборкой документации к HDD Samsung
HDD SAMSUNG M40S — документация к HDD Samsung серии M40S на английскомязыке.
sonyps3.jpg — схема блока питания к Sony Playstation 3.
APC_Smart-UPS_450−1500_Back-UPS_250−600.pdf — инструкции по ремонту источников бесперебойного питания производства APC на русском языке. Принципиальные схемы многих моделей Smart и Back UPS.
Silcon_DP300E.zip — эксплуатационная документация на UPS Silcon DP300E производства компании APC
symmetra-re.pdf — руководство по эксплуатации UPS Symmetra RM компании APC.
symmetrar.pdf — общие сведения и руководство по монтажу UPS Symmetra RM компании APC (на русском языке).
manuals_symmetra80.pdf — эксплуатационная документация на Symmetra RM UPS 80KW, высокоэффективную систему бесперебойного питания блочной конфигурации, конструкция которой обеспечивает питание серверов высокой готовности и другого ответственного электронного оборудования.
APC-Symmetra.zip — архив с эксплуатационной документацией на Symmetra Power Array компании APC
Smart Power Pro 2000.pdf — схема ИБП Smart Power Pro 2000.
BNT-400A500A600A.pdf — Схема UPS Powercom BNT-400A/500A/600A.
ml-1630.zip — Документация к принтеру Samsung ML-1630
splitter.arj — 2 принципиальные схемы ADSL — сплиттеров.
KS3A.djvu — Документация и схемы для 29″ телевизоров на шасси KS3A.
Если вы желаете поделиться ссылкой на эту страницу в своей социальной сети, пользуйтесь кнопкой «Поделиться»
Как правильно ухаживать за пауэрбанком?
Когда вы знаете, как выбрать пауэрбанк, самое время сказать о гарантиях его долговечности. Рейтинг пауэр банков представляет собой действительно надежные решения, но это зависит от пользователя, будут ли решения, предлагаемые на данном уровне, прослужить дольше.
Следует помнить, что лучший способ продлить срок службы батареи — это полностью зарядить ее. «Дозаправка» на несколько или десяток процентов — не лучшее решение. Точно так же она разрядилась в ноль. Это тоже не лучшим образом сказывается на качестве батареи.

Также стоит помнить — когда вы не используете устройство в течение длительного времени — убедитесь, что оно заряжено. Поддержание мощности, даже на несколько десятков процентов, важно, и помните об автоматической потере энергии блоками питания, которые полностью разрядят их в течение нескольких недель. В целях безопасности перегревать пауэрбанки тоже не стоит. В конце концов, это электрические устройства — и если мы не говорим о солнечных моделях — чрезмерная температура не способствует сроку службы батареи
В целях безопасности перегревать пауэрбанки тоже не стоит. В конце концов, это электрические устройства — и если мы не говорим о солнечных моделях — чрезмерная температура не способствует сроку службы батареи.

Стандарты и сертификаты
При покупке БП, в первую очередь необходимо посмотреть на наличие сертификатов и на соответствие его современным международным стандартам. На блоках питания чаще всего можно встретить указание следующих стандартов:
RoHS, WEEE – не содержит вредных веществ
UL, cUL – сертификат на соответствие своим техническим характеристикам, а также требованиям безопасности для встроенных электроприборов
CE — сертификат который показывает, что блок питания соответствует строжайшим требованиям директив европейского комитета
ISO – международный сертификат качества
CB — международный сертификат соответствия своим техническим характеристикам
FCC – соответствие нормам электромагнитных наводок (EMI) и радионаводок (RFI), генерируемых блоком питания
TUV — сертификат соответствия требованиям международного стандарта ЕН ИСО 9001:2000
ССС – сертификат Китая соответствия безопасности, электромагнитным параметрам и защите окружающей среды
Также есть компьютерные стандарты форм-фактора АТХ, в котором определены размеры, конструкция и многие другое параметры блока питания, включая допустимые отклонения напряжений при нагрузке. Сегодня существуют несколько версий стандарта АТХ:
- ATX 1.3 Standard
- ATX 2.0 Standard
- ATX 2.2 Standard
- ATX 2.3 Standard
Отличие версий стандартов АТХ в основном касается введения новых разъемов и новых требованиям к линиям питания блока питания.
Утилиты и справочники.
cables.zip — Разводка кабелей — Справочник в формате .chm. Автор данного файла — Кучерявенко Павел Андреевич. Большинство исходных документов были взяты с сайта pinouts.ru — краткие описания и распиновки более 1000 коннекторов, кабелей, адаптеров. Описания шин, слотов, интерфейсов. Не только компьютерная техника, но и сотовые телефоны, GPS-приемники, аудио, фото и видео аппаратура, игровые приставки и др. техника.
Конденсатор 1.0 — Программа предназначена для определения ёмкости конденсатора по цветовой маркировке (12 типов конденсаторов).
Transistors.rar — База данных по транзисторам в формате Access.
Grafikkarten
Intel nennt alle technischen Daten der weiteren Arc-Desktop-Karten (11)
Tröpfchenweise verkündet Intel weitere technischen Daten und Funktionen zur ersten Arc-Generation alias Alchemist. Über die Strategie (sofern denn vorhanden) in der Präsentation und Veröffentlichung, lässt sich trefflich streiten. Die Arc A380 (Test) ist als Einstiegsvariante für den asiatischen Markt noch nicht der große Wurf gewesen und krankte vor allem am nicht fertigen…
- #ProjectBeyond: NVIDIA startet Kampagne für nächste GeForce-Generation (2. Update) (28)
- Prämie: NVIDIA verschenkt Marvel’s Spider-Man Remastered (12)
- NVIDIA reduziert die Preise der GeForce RTX 3090 Ti, 3090 und 3080 Ti FE (89)
- Foto soll Prototypen einer GeForce-RTX-4000-Karte zeigen (5)
- 12 und 16 GB VRAM: Es soll zwei Versionen der GeForce RTX 4080 geben (24)
- AMD zeigt nächste Radeon-Generation in Aktion (19)
- Spiele, Benchmarks, Technik: Intel stellt XeSS genauer vor (0)
- GeForce RTX 4000: Alle Neuigkeiten zu NVIDIAs neuen GPUs im Überblick (368)
- Update zur GeForce RTX 4080: Statt 21 GBit/s nun 23 GBit/s VRAM bei 340 W TBP (30)
Prozessoren
Dino aus dem Sack: Technische Daten zu Raptor Lake geleaked (41)
Nicht die Katze, sondern der Dinosaurier ist wohl nun vollständig aus dem Sack. Igor’sLAB hat gleich einen kompletten Foliensatz veröffentlicht, der alle technischen Daten zu den Core-Prozessoren der 13. Generation enthält. Viele Gerüchte haben das Bild bereits fast vervollständigt, nun dürften zumindest an offiziellen Daten keinerlei Fragen mehr offen bleiben. Doch fangen…
- Neue Ryzen-Modellnummern: Eine weitere Ziffer für mehr Übersicht (14)
- Bis 5,8 GHz: 14 verschiedene Raptor Lake-S SKUs sind durchgesickert (38)
- Schneller und effizienter: Forschung zeigt Vorteile neuronaler Chips (0)
- Ryzen 7000: Chipgrößen und Hintergrundinformationen zum RAM-Takt (62)
- Ryzen 9 7950X: Geekbench-Ergebnis gibt weiteren Performance-Ausblick auf AMDs neues Flaggschiff (16)
- AMD plant mit 3D V-Cache für Zen 4 und Zen 5 (25)
- Bis zu 5,7 GHz: AMD stellt die Ryzen-7000-Serie im Detail vor (189)
- Preise bekannt: Ryzen 9 7950X für 799 USD, kleinster Ryzen 5 7600X ab 299 USD (49)
- Zen 4 und AM5: Ryzen-7000-Serie wird am 30. August vorgestellt (Update) (46)
Блок питания какой фирмы лучше выбрать
Лучшие фирмы блоков питания, представленные ниже, производят продукцию, с учетом установленных в разных странах показателей частоты сети и тока. Среди самых востребованных производителей на рынке, оказались следующие:
- Be Quiet! – бренд из Германии продает с 2006 года корпуса, системы охлаждения для настольных компьютеров и блоки питания, работающие беззвучно. Точность сборки и качество материалов гарантирует долговечность продукции и приносит компании многочисленные награды.
- ExeGate – компания из Гонконга по производству аксессуаров и компьютерных комплектующих. Ассортимент, качество сборки, дизайн продукции нравится покупателям, а постоянный контроль качества гарантирует долговечность товара.
- Powerman – бренд производит компьютерное, электрическое и электроустановочное оборудование. Фирма совершенствует технические характеристики и дизайн продукции для привлечения клиентов и улучшения качества товара.
- Ginzzu – компания из Гонконга выпускает высокотехнологичную продукцию более 10 лет. На предприятиях Турции, Китая, Тайваня и России производятся гаджеты и аксессуары, аудио, бытовая техника, комплектующие для ПК. Более 30 пунктов сервисного обслуживания обеспечивают гарантийное сопровождение товара.
- Chieftec – с 1990 года бренд выпускает компьютерные корпуса. Позже разнообразие товара пополнилось блоками питания и аксессуарами. Продукция производится на современном оборудовании с соблюдением новейших технологий, бренд гарантирует качество и долгий срок службы.
- Cooler Master – компания со штаб-квартирой в Тайване и представительствами в Бразилии, Китае, России, Нидерландах, Германии производит компьютерные комплектующие с 1992 года. Бренд проводит собственные исследования, испытания для улучшения качества товара.
- Corsair – производитель игрового компьютерного оборудования и периферии из США. С 1994 года бренд, созданный двумя основателями, стал одним из лучших в мире по производству комплектующих для персональных компьютеров. Фирма сотрудничает с крупными корпорациями, поставляя им продукцию высокого класса.
- AeroCool Higgs – магнат по производству продукции для геймеров: блоков питания, игровых корпусов, клавиатур, гарнитуры, многофункциональных панелей. Товары бренда улучшают производительность современного компьютера и позволяют комфортно проводить время за ним.
- Thermaltake – бренд из Тайваня, выпускающий корпуса, блоки питания, жидкостные и воздушные системы охлаждения. Аксессуары (вентиляторы, кабели, карманы для жестких дисков) компания производит с 1999 года, осваивая рынки Америки, Европы и Азии.
- Super Flower – более 20 лет бренд из Тайваня занимает лидирующую позицию среди производителей блоков питания. Батареи для телефонов, блоки питания для телевизоров и компьютеров, промышленных устройств продаются по низким ценам. Бренд заботится о дизайне и функциональности товара.
Зарядное устройство из блока Delta dps-400sb-b
Для использования компьютерного блока питания в качестве зарядного устройства автомобильного аккумулятора достаточно поднять выходное напряжение по шине +12 В до 14,2−14,4 В. Зарядка будет производиться постоянным напряжением, меняться будет лишь сила тока по мере заряда аккумулятора, абсолютно так же как и в борт сети работающего автомобиля.


Выходное напряжение в блоке Delta dps-400sb-b можно корректировать с помощью резистора VR501, который находится на отдельной плате модуля управления.

Без дополнительных изменений, напряжение блока по шине +12 В регулируется лишь в небольших пределах 11,34 — 13,5 В. При попытке поднять напряжение выше 13,5 В — срабатывает защита от превышения напряжения и блок останавливается.

Для отключения супервизора (мониторинга выходных напряжений и тока) необходимо провести все лишь парочку простых манипуляций:
1. Перекусываем 15-ю ножку, идущую от основной платы к модулю управления.

2. Ставим перемычку на основной плате блока от 15-го вывода (который шел на модуль) к первому (или второму) выводу.

Таким образом, 15-й вывод мы отключили от модуля управления и посадили на минус. После таких манипуляций блок будет включаться сразу при включении в сеть. Можно проверить диапазон регулировки напряжения, сейчас он составляет 11,33 — 13,84 В.

Для небольшого сдвига диапазона регулировки напряжения необходимо уменьшить сопротивления резистора R503 (имеет маркировку 2321 — сопротивление 2,23 кОм), меняем его на резистор сопротивлением 2 кОм. Этот резистор находится на модуле управления, надо учесть, что существуют разные ревизии модулей, которые немного отличаются расположением элементов. Нужный резистор выделен желтой рамкой.

Что бы далеко не бегать и не искать в закромах новый cmd резистор на 2 кОм, можно снять его с обвязки супервизора, который уже отключен. (R613; маркировка 202). Но тут кроется нюанс, в некоторых версиях платы модуля, этот резистор имеет сопротивление всего 1 кОм. В общем, если резистор подходит — ставим, нет — покупаем новый на 2 кОм и заменяем R503.

После уменьшения резистора R503 до 2 кОм, мы имеем на выходе уже немного другие значения напряжения, доступный диапазон регулировки 12,06 — 15,30 В.

Выставляем выходное напряжение на уровне 14,4 В
Зарядное готово! Важно помнить, что блок после переделок боится короткого замыкания и переполюсовки!

Для дальнейшего использования такой зарядки лучше всего снабдить ее защитой от переполюсовки и короткого замыкания на полевике.































